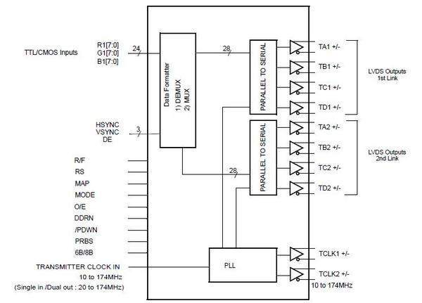
THC63LVD827為雙路LVDS發送端芯片,可支持は1080p/1920×1440的分辨率。由于其封裝體積小,很適合用于平板電腦、筆記本電腦等高分辨率的移動設備。
特征:
- LVCMOS to LVDS 轉換
- LVCMOS平行信號輸入
27bit/像素
172M像素/秒(時鐘周期:10-174MHz)
支持1.8/2.5/3.3V輸入
輸入信號采樣沿可選
- 4ch LVDS 2port (Dual Pixel Link)輸出
1.22Gbps/ch
小振幅輸出模式可以抑制EMI干擾
- 電源電壓:1.8V
IOVCC可選1.8/2.5/3.3V
- 封裝:TFBGA72
7mm×7mm 為同類型產品中最小
- 工作溫度范圍:-40 to 85℃
- 同類產品中耗電量最低
Typ.83mW@WUXGA60Hz
- 推薦接收端:
THC63LVD1022
THC63LVD1024
Block Diagram
