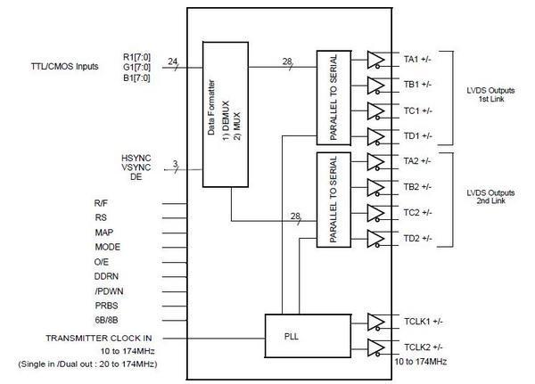
THC63LVD827-Q為雙路LVDS發送芯片,可支持Full HD(1920×1080)分辨率。由于 其封裝體積小,廣泛適合用于車載導航儀、車載儀表盤等車載機器等設備。
特征
- LVCMOS to LVDS 轉換
- LVCMOS平行信號輸入
27bit/像素
172M像素/秒(時鐘周期:10-174MHz)
支持1.8/2.5/3.3V輸入
輸入信號采樣沿可選
- 4ch LVDS 2port (Dual Pixel Link)輸出
1.22Gbps/ch
小振幅輸出模式可以抑制EMI干擾
- 電源電壓:1.8V
IOVCC可選1.8/2.5/3.3V
- 封裝:TFBGA72
7mm×7mm 為同類型產品中最小
- 工作溫度范圍:-40 to 105℃
- 同類產品中耗電量最低
Typ.83mW@WUXGA60Hz
- AEC-Q100
- 推薦接收端:
THF9802
Block Diagram
