THCV213與THCV214是專門用于高速數字視頻信號傳輸的芯片組。與目前LCD電視及顯示器等常用的LVDS、DVI以及HDMI*相比,具有減少傳輸線數、節省空間、降低EMI、延長傳輸距離等優點。
- LVCMOS to V-by-One® 轉換
- LVCMOS 輸入
視頻信號:18bit/像素,同步信號:3bit
40M像素/秒(時鐘頻率 5-40MHz)
- V-by-One® (LVDS) 2通道輸出
840Mbps/通道
基于雙通道輸出的分配功能
- 通過將時鐘&數據恢復電路與THine特有的編碼方式結合,實現用一對數據線傳輸差分信號。
- 使用THCV213的預加重功能可以實現長距離數據傳輸。
- 電源電壓:3.3V
- 封裝:TQFP48
- 工作溫度范圍:
THCV213-1T 0 to 70℃
THCV213-5T -40 to 85℃
- AEC-Q100 ESD Protection
- 對應接收端
THCV214
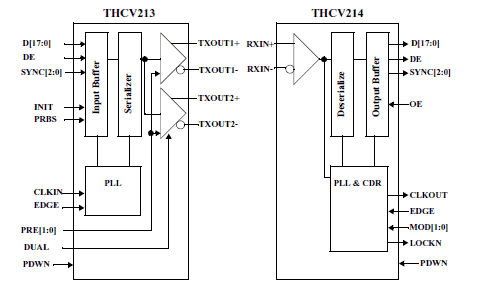
Block Diagram

特征